memoinfo:expressions_regulieres
Analyseur d'expressions régulières
https://www.dcode.fr/analyseur-expression-rationnelle
Et mieux encore
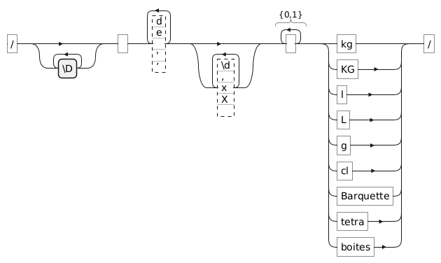
Améliorer la lecture des expressions régulières avec plantuml
N'importe quels caractères suivi de ???? je sèche
memoinfo/expressions_regulieres.txt · Dernière modification : de 127.0.0.1
